

| 序號 | 零件名稱 | CS ASTM | SS ASTM | |
| Type A105N | Type F304(L) | Type F3316(L) | ||
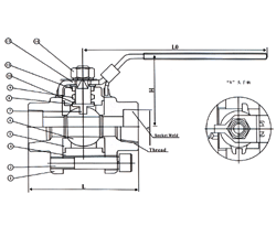
| 1.4 | 閥體接體,閥蓋 | ASTM A105N | A182 F304(L) | A182 F316(L) |
| 2 | 內六角螺栓 | A193 B7 | A193 B8 | A193 B8M |
| 5,8,10 | 密封圈 | 尼龍1010/RPFE Cu粉/PPL | ||
| 6,7 | 球體閥桿 | A182 F410 | A182 F304(L) | A182 F316(L) |
| 9 | 橡膠O型圈 | 氟橡膠 | ||
| 11 | 壓套 | A182 F410 | A182 F304(L) | A182 F316(L) |
| 13 | 手柄 | A182 F321 | ||
| 14 | 螺母 | A194 2H | A194 8 | A194 8 |
| 15 | 鎖卡 | A182 F321 |
||

Q11F/Q61F-800LB高壓鍛鋼F304/F316球閥 
| 尺寸\口徑 | 1/2″ | 3/4″ | 1″ | 11/2″ | 2″ |
| L | 71 | 96 | 116 | 128 | 140 |
| A | 21.8 | 27.1 | 33.8 | 48.7 | 61.1 |
| NPT | 1/2″ | 3/4″ | 1″ | 11/2″ | 2″ |
| LO | 108 | 146 | 178 | 178 | 200 |
| H | 51 | 62 | 81 | 85 | 100 |
Q11F/Q61F-900LB~1500LB高壓鍛鋼F304/F316球閥
| 序號 | 零件名稱 | CS ASTM | SS ASTM | |
| Type A105N | Type F304(L) | Type F316(L) | ||
| 1,2 | 閥體接體,閥蓋 | ASTM A105N | A182 F304(L) | A182 F316(L) |
| 3 | 等長雙頭螺栓 | A193 B7 鍍鎘 | A193 B8 | A193 B8M |
| 4 | 螺母 | A194 2H 鍍鎘 | A194 8 | A194 8M |
| 5,8 | 密封圈/墊片 | RTFE Cu粉/尼龍1010/PPL | ||
| 6 | 球體 | A182 F304 | A182 F304(L) | A182 F316(L) |
| 7 | 閥桿 | A182 F410 | A182 F304(L) | A182 F316(L) |
| 9,10 | 止推片填料 | RTFE Cu粉/尼龍1010/PPL | ||
| 11 | 壓套 | A182 F410 | A182 F304(L) | A182 F316(L) |
| 12 | 蝶形彈簧 | 65Mn | ||
| 13 | 扁螺母 | A194 B7 鍍鎘 | A194 8 | A194 8 |
| 14 | 手柄 | Q235A | ||
| 15 | 圓柱銷 | A194 B7 鍍鎘 | F316 | F316 |
| 16 | 橡膠O型圈 | 氟橡膠 | 氟橡膠 | 氟橡膠 |
Q11F/Q61F-800LB~1500LB不銹鋼F304/F316高壓鍛鋼球閥
| 公稱壓力 | 900Lb | 1500Lb | ||
| 試驗壓力 | 強度試驗 | 22.7 | 37.8 | MPa |
| 密封試驗 | 16.7 | 28.1 | ||
| 氣密試驗 | 0.6 | 0.6 | ||
| 最高工作溫度 | 尼龍<80°C,PTEF<150°C,PPL<220°C | |||
| 適用介質 | 水、油品 | |||
Q11F/Q61F-800LB~1500LB不銹鋼F304/F316高壓鍛鋼球閥
| 尺寸\口徑 | 1/2″ | 3/4″ | 1″ | 11/4″ | 2″ | 2″ |
| L | 92 | 111 | 127 | 140 | 152 | 178 |
| 178A | 21.8 | 27.1 | 33.8 | 42.8 | 48.7 | 61.1 |
| NPT | 9.6 | 12.7 | 12.7 | 12.7 | 12.7 | 15.9 |
| LO | 123 | 160 | 160 | 195 | 195 | 250 |
| H | 1/2″ | 3/4″ | 1″ | 11/4″ | 11/2″ | 2″ |
訂貨須知:
①Q11F/Q61F-800LB~1500LB不銹鋼F304/F316高壓鍛鋼球閥 產品型號
②Q11F/Q61F-800LB~1500LB不銹鋼F304/F316高壓鍛鋼球閥 公稱壓力
③Q11F/Q61F-800LB~1500LB不銹鋼F304/F316高壓鍛鋼球閥 公稱通徑
④Q11F/Q61F-800LB~1500LB不銹鋼F304/F316高壓鍛鋼球閥 法蘭標準
⑤Q11F/Q61F-800LB~1500LB不銹鋼F304/F316高壓鍛鋼球閥 閥體材質
⑥Q11F/Q61F-800LB~1500LB不銹鋼F304/F316高壓鍛鋼球閥 工作介質
⑦Q11F/Q61F-800LB~1500LB不銹鋼F304/F316高壓鍛鋼球閥 介質溫度
| 今天是 |
|
Copyright 2013 浙江渤工閥門有限公司 LUOTUO All Right Reserved. 地址:浙江省溫州市永嘉縣甌北街道東甌工業園區 備案號:浙ICP備18016936號-1 |